上海自動化儀表三廠的鎧裝熱電偶自由端(接線盒)形式可分為:簡易式接線,防濺式接線盒,防水式接線盒,手柄式接線,小接線盒式接線盒和補償導線式接線六種,如下圖:
◆鎧裝熱電偶簡易式接線圖片及尺寸,型號代碼(0)

◆鎧裝熱電偶防濺式接線盒圖片及尺寸,型號代碼(2)

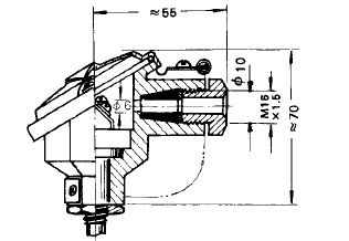
◆鎧裝熱電偶防水式接線盒圖片及尺寸,型號代碼(3)

◆鎧裝熱電偶手柄式接線圖片及尺寸,型號代碼(8)

◆鎧裝熱電偶小接線盒式接線圖片及尺寸,型號代碼(8)

◆鎧裝熱電偶補償導線式接線圖片及尺寸,型號代碼(9)



客服1