
SBWR-2261智能型熱電偶溫度變送器簡介
SBW系列熱電阻、熱電偶溫度變送器,它采用是二線制傳送方式,將熱電阻、熱電偶的電阻及毫伏信號變換成與輸入信號或溫度信號呈線性的4-20mA的輸出信號。它既可以安裝在熱電阻、熱電偶的接線盒內與之形成一體化結構,又可以做成導軌的形式安裝在儀表控制箱內,上海自動化儀表三廠生產的SBWR-2261智能型熱電偶溫度變送器具有耐震、耐潮濕、精度高、功耗低、使用環境溫度范圍廣,工作穩定可靠等優點,它作為新一代的測溫變送儀表被廣泛應用于冶金、石油化工、電力、紡織、食品等工業部門。
SBWR-2261智能型熱電偶溫度變送器主要技術參數
◆量程范圍:0-1300℃
◆輸入類型:K型
◆輸出類型:輸出4-20mA(輸出與對應溫度呈線性)
◆精度等級:±0.5%FS,±0.2%FS
◆傳送方式:二線制
◆工作電源:DC12~35V,額定工作電壓DC24V
◆負載電阻:0-600Ω,額定負載250Ω
◆環境溫度:-20℃~70℃(智能型)
◆相對濕度:5%~95%
◆環境溫度影響:≤0.05/1℃
溫度變送器工作原理
SBW系列熱電阻、熱電偶溫度變送器,它采用是二線制傳送方式,將熱電阻、熱電偶的電阻及毫伏信號變換成與輸入信號或溫度信號呈線性的4-20mA的輸出信號。并將信號傳送給計算機或其它設備。
溫度變送器使用選型

型號舉例:
SBWR-2161表示E分度非隔離智能型,輸出與對應溫度呈線性4-20mA輸出的智能型溫度變送器
SBWR-4261表示K分度非隔離智能型,輸出與對應輸入信號呈線性4-20mA輸出的智能型溫度變送器
SBWR-2160表示E分度非隔離常規型,輸出與對應溫度呈線性4-20mA輸出的溫度變送器
SBWR-4160表示E分度非隔離常規型,輸出與對應輸入信號呈線性4-20mA輸出的溫度變送器
SBWR-2261表示K分度非隔離智能型,輸出與對應溫度呈線性4-20mA輸出的智能型溫度變送器
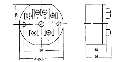
溫度變送器安裝圖片
◆SBWR-2261智能型熱電偶溫度變送器

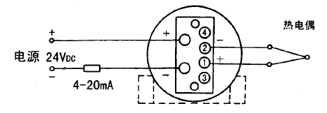
◆SBWR-2261智能型熱電偶溫度變送器接線



客服1