
SBWZ-2480/136K熱電阻一體化溫度變送器簡介
SBW系列帶熱電阻、熱電偶溫度變送器,它集熱電偶或熱電阻同變送器為一體,能直接測量-200~1600℃范圍內的液體、蒸汽和氣體介質的溫度,儀表采用二線制傳送方式,將溫度轉變成與熱電阻、熱電偶信號成正比的4-20mA統一輸出信號,送顯示、記錄調節儀表或計算機,上海自動化儀表三廠生產的SBWZ-2480/136K熱電阻一體化溫度變送器能測量-100~500℃范圍內的介質溫度,還具有耐震、耐潮濕、精度高、功耗低、使用環境溫度范圍廣,工作穩定可靠等優點,它作為新一代的測溫變送儀表被廣泛應用于冶金、石油化工、制藥、電力、紡織、食品、科研等工業部門。
SBWZ-2480/136K熱電阻一體化溫度變送器主要技術參數
◆量程范圍:-100-200℃,0-500℃
◆輸入類型:Pt100輸入
◆輸出類型:輸出4-20mA(輸出與對應溫度呈線性)
◆精度等級:±0.5%FS,可以做成±0.2%FS
◆熱電阻精度:A級 ±(0.15℃+0.002|t|),B級 ±(0.30℃+0.005|t|)
◆熱電阻保護管直徑:6mm
◆熱電阻保護管材質:不銹鋼304,321,316
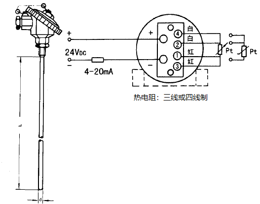
◆熱電阻接線:三線制接線或四線制接線
◆熱電阻響應時間:T0.5≤5S
◆熱電阻安裝方式:無固定鎧裝式
◆傳送方式:二線制
◆工作電源:DC12~35V,額定工作電壓DC24V
◆負載電阻:0-600Ω,額定負載250Ω
◆環境溫度:-25℃~80℃(危險場合不高于70℃)
◆相對濕度:5%~95%
◆環境溫度影響:≤0.05/1℃
一體化溫度變送器工作原理
SBW系列熱電阻、熱電偶溫度變送器,它采用是二線制傳送方式,將熱電阻、熱電偶的電阻及毫伏信號變換成與輸入信號或溫度信號呈線性的4-20mA的輸出信號。并將信號傳送給計算機或其它設備。
一體化溫度變送器使用選型

型號舉例:
SBWZ-2481/130表示分度號Pt100非隔離智能型,帶4-20mA輸出無固定熱電阻一體化溫度變送器
SBWZ-4480/621表示分度號Pt100非隔離常規型,輸出與對應輸入信號呈線性4-20mA輸出固定螺紋錐形套管熱電阻一體化溫度變送器
SBWZ-2480/435K表示分度號Pt100非隔離常規型,帶4-20mA輸出固定螺紋鎧裝熱電阻一體化溫度變送器
SBWZ-4480/631表示分度號Pt100非隔離常規型,輸出與對應輸入信號呈線性4-20mA輸出固定螺紋錐形套管熱電阻一體化溫度變送器
SBWZ-2180/430表示分度號Cu50非隔離常規型,帶4-20mA輸出保護管12mm的固定法蘭銅熱電阻一體化溫度變送器
另訂購時還需提供溫度使用范圍等參數
一體化溫度變送器安裝圖片
◆SBWZ-2480/136K熱電阻一體化溫度變送器
L=70-2100mm
d=5-8mm防水接線盒
無固定裝置



客服1